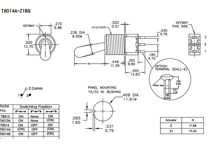
摇头开关也叫钮子开关,有安装容易、体积小、操作方便、接触可靠等特点

摇头开关也叫钮子开关,有安装容易、体积小、操作方便、接触可靠等特点。开关主体胶料防火等级选用94V-0级,防水有IP67等级可供选择。产品设计有单路、双路、三路和四路,功能有ON-ON、(ON)-ON、ON-OFF-ON、(ON)-OFF-ON、(ON)-OFF-(ON)、ON-ON-ON等区分。


联系人:刘先生
手机:+86-13925510795
电话:+86-0769-89615395
邮箱:Bella@fvwin.com
地址: 广东省东莞市石碣镇新风西路25号
二维码